Главная
/
Продукция
/
Разделители мембранные РМ
Разделители мембранные РМ 5319, РМ 5319C, РМ 5320, РМ 5321, РМ 5322
Назначение и область применения
Разделители мембранные РМ 5319, РМ 5320, РМ 5321, РМ 5322 предназначены для предохранения внутренней полости чувствительных элементов измерительных устройств (датчиков давления, манометров, вакуумметров, мановакуумметров, и т.д.) от попадания в нее сред агрессивных, горячих, кристаллизующихся, несущих взвешенные твердые частицы. Соединение разделителя с измерительным устройством осуществляется непосредственно или через соединительный рукав ЦТКА 302.656.008
Устройство и работа
Измеряемое давление передается через мембрану и разделительную жидкость на чувствительный элемент измерительного устройства, соединенного с разделителем. Разделительная мембрана предохраняет разделительную жидкость от непосредственного контакта с измеряемой средой. Жидкость и допускаемая деформация разделительной мембраны выбираются такими, чтобы дополнительная погрешность, вносимая разделителем, была не выше указанной. Разделители моделей РМ 5319МС и РМ 5321МС состоят из верхнего и нижнего фланцев, соединенных болтами, между которыми устанавливается корпус с приваренной к нему мембраной. Уплотнение между корпусом и нижним фланцем, а также между измерительным устройством и разделителем обеспечивается прокладками. В конструкции разделителей моделей РМ 5320 и РМ 5322МС с открытой мембраной отсутствует нижний фланец. Открытая мембрана не дает возможности кристаллизующимся средам и твердым осадкам скапливаться в значительном количестве, что может затруднить или совершенно прекратить передачу давления к чувствительному элементу. Открытая мембрана доступна для периодической очистки.
Основные технические характеристики
Исполнения разделителей мембранных РМ 5319, РМ 5320, РМ 5321, РМ 5322, верхний предел измерений давления устройства соединенного с разделителем, температура измеряемой среды, наружный диаметр и масса приведены в таблице 1.
Таблица 1.
|
№ пп. |
Исполнение |
Предел измерений, МПа |
Вытесн. объем см. куб. не менее |
Габаритные размеры, мм |
Масса, кг, не более |
|
1 |
РМ 5319СМ (с резьбой М20х1,5) |
0,025 - 2,5 |
0,25 |
Ø100 x 82 max |
1,5 |
|
2 |
РМ 5319СМ-01 (с резьбой М20х1,5 и дополнительной фторопластовой мембраной) |
0,025 - 2,5 |
0,25 |
Ø100 x 82 max |
1,5 |
|
3 |
РМ 5319СM-G1/2 (с резьбой G1/2") |
0,025 - 2,5 |
0,25 |
Ø100 x 82 max |
1,5 |
|
4 |
РМ 5319СM-01-G1/2 (с резьбой G1/2" и дополнительной фторопластовой мембраной) |
0,025 - 2,5 |
0,25 |
Ø100 x 82 max |
1,5 |
|
5 |
РМ 5319СM-Ø10 (с резьбой М20х1,5, для мазута и других вязких сред) |
0,025 - 2,5 |
0,25 |
Ø100 x 82 max |
1,5 |
|
6 |
РМ 5319СM-01-Ø10 (с резьбой М20х1,5 для мазута и других вязких сред, с дополнительной фторопластовой мембраной) |
0,025 - 2,5 |
0,25 |
Ø100 x 82 max |
1,5 |
|
7 |
РМ 5319СM-Ø10-G1/2 (с резьбой G1/2", для мазута и других вязких сред) |
0,025 - 2,5 |
0,25 |
Ø100 x 82 max |
1,5 |
|
8 |
РМ 5319СM-01-Ø10-G1/2 (с резьбой G1/2", для мазута и других вязких сред с дополнительной фторопластовой мембраной) |
0,025 - 2,5 |
0,25 |
Ø100 x 82 max |
1,5 |
|
9 |
РМ 5319СM-02 (с резьбой М20х1,5, с нижним фланцем из стали 45) |
0,025 - 2,5 |
0,25 |
Ø100 x 82 max |
1,5 |
|
10 |
РМ 5319СM-02-G1/2 (с резьбой G1/2", с нижним фланцем из стали 45) |
0,025 - 2,5 |
0,25 |
Ø100 x 82 max |
1,5 |
|
11 |
РМ 5319СM-02-Ø10 (с резьбой М20х1,5, нижним фланцем из стали 45, для мазута и других вязких сред) |
0,025 - 2,5 |
0,25 |
Ø100 x 82 max |
1,5 |
|
12 |
РМ 5319СM-02-Ø10-G1/2 (с резьбой G1/2", нижним фланцем из стали 45, для мазута и других вязких сред) |
0,025 - 2,5 |
0,25 |
Ø100 x 82 max |
1,5 |
|
13 |
РМ 5320С (с резьбой М20х1,5 и болтами М10) |
0,025 - 2,5 |
1,0 |
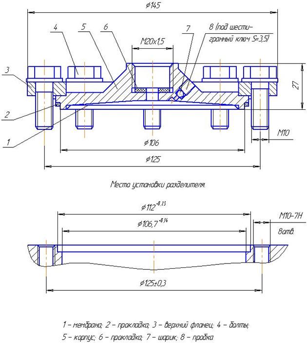
Ø145 x 27 |
2,2 |
|
14 |
РМ 5320С-01 (с резьбой М20х1,5, болтами М10 и с дополнительной фторопластовой мембраной) |
0,025 - 2,5 |
1,0 |
Ø145 x 27 |
2,2 |
|
15 |
РМ 5320С-М30 (с резьбой М30х1,5 и болтами М10) |
0,025 - 2,5 |
1,0 |
Ø145 x 27 |
2,2 |
|
16 |
РМ 5320С-01-М30 (с резьбой М30х1,5, болтами М10 и с дополнительной фторопластовой мембраной) |
0,025 - 2,5 |
1,0 |
Ø145 x 27 |
2,2 |
|
17 |
РМ 5321С (с резьбой М20х1,5) |
4 - 60 |
0,5 |
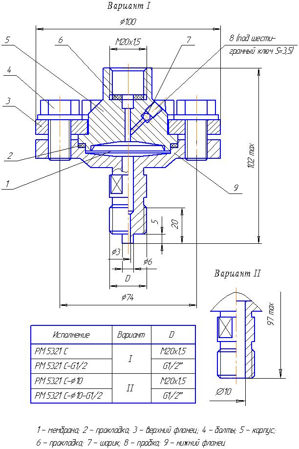
Ø100 x 102max |
2 |
|
18 |
РМ 5321С-01 (с резьбой М20х1,5 и дополнительной фторопластовой мембраной) |
4 - 60 |
0,5 |
Ø100 x 102max |
2 |
|
19 |
РМ 5321С-G1/2 (с резьбой G1/2") |
4 - 60 |
0,5 |
Ø100 x 102max |
2 |
|
20 |
РМ 5321С-01-G1/2 (с резьбой G1/2" и дополнительной фторопластовой мембраной) |
4 - 60 |
0,5 |
Ø100 x 102max |
2 |
|
21 |
РМ 5321С-Ø10 (с резьбой М20х1,5, для мазута и других вязких сред) |
4 - 60 |
0,5 |
Ø100 x 102max |
2 |
|
22 |
РМ 5321С-01-Ø10 (с резьбой М20х1,5, для мазута и других вязких сред, с дополнительной фторопластовой мембраной) |
4 - 60 |
0,5 |
Ø100 x 102max |
2 |
|
23 |
РМ 5321С-Ø10-G1/2 (с резьбой G1/2", для мазута и других вязких сред) |
4 - 60 |
0,5 |
Ø100 x 102max |
2 |
|
24 |
РМ 5321С-01-Ø10-G1/2 (с резьбой G1/2", для мазута и других вязких сред, с дополнительной фторопластовой мембраной) |
4 - 60 |
0,5 |
Ø100 x 102max |
2 |
|
25 |
РМ 5321С-02 (с резьбой М20х1,5, нижним фланцем из стали 45) |
4 - 60 |
0,5 |
Ø100 x 102max |
2 |
|
26 |
РМ 5321С-02-G1/2 (с резьбой G1/2", нижним фланцем из стали 45) |
4 - 60 |
0,5 |
Ø100 x 102max |
2 |
|
27 |
РМ 5321С-02-Ø10 (с резьбой М20х1,5, нижним фланцем из стали 45, для мазута и других вязких сред) |
4 - 60 |
0,5 |
Ø100 x 102max |
2 |
|
28 |
РМ 5321С-02-Ø10-G1/2 (с резьбой G1/2", нижним фланцем из стали 45, для мазута и других вязких сред) |
4 - 60 |
0,5 |
Ø100 x 102max |
2 |
|
29 |
РМ 5322С-M14 (с резьбой М20х1,5 и болтами М14х1,5) |
4 - 60 |
0,5 |
Ø100 x 45 |
1,5 |
|
30 |
РМ 5322С-01-M14 (с резьбой М20х1,5, с болтами М14х1,5 и дополнительной фторопластовой мембраной) |
4 - 60 |
0,5 |
Ø100 x 45 |
1,5 |
|
31 |
РМ 5319C (с резьбой М20х1,5) |
0,025 - 2,5 |
1,0 |
Ø145 x 90 |
3 |
|
32 |
РМ 5319С-01 (с резьбой М20х1,5 и болтами М14х1,5 и дополнительной фторопластовой мембраной) |
0,025 - 2,5 |
1,0 |
Ø145 x 90 |
3 |
|
33 |
РМ 5319С-G1/2 (с резьбой G1/2") |
0,025 - 2,5 |
1,0 |
Ø145 x 90 |
3 |
|
34 |
РМ 5319С-01-G1/2 (с резьбой G1/2" и дополнительной фторопластовой мембраной) |
0,025 - 2,5 |
1,0 |
Ø145 x 90 |
3 |
|
35 |
РМ 5319С-Ø10 (с резьбой М20х1,5, для мазута и других вязких сред) |
0,025 - 2,5 |
1,0 |
Ø145 x 90 |
3 |
|
36 |
РМ 5319С-01-Ø10 (с резьбой М20х1,5, для мазута и других вязких сред, с дополнительной фторопластовой мембраной) |
0,025 - 2,5 |
1,0 |
Ø145 x 90 |
3 |
|
37 |
РМ 5319С-Ø10-G1/2 (с резьбой G1/2", для мазута и других вязких сред, с дополнительной фторопластовой мембраной) |
0,025 - 2,5 |
1,0 |
Ø145 x 90 |
3 |
|
38 |
РМ 5319С-02 (с резьбой М20х1,5, с нижним фланцем из стали 45) |
0,025 - 2,5 |
1,0 |
Ø145 x 90 |
3 |
|
39 |
РМ 5319С-02-G1/2 (с резьбой G1/2", с нижним фланцем из стали 45) |
0,025 - 2,5 |
1,0 |
Ø145 x 90 |
3 |
|
40 |
РМ 5319С-02-Ø10 (с резьбой М20х1,5, с нижним фланцем из стали 45, для мазута и других вязких сред) |
0,025 - 2,5 |
1,0 |
Ø145 x 90 |
3 |
|
41 |
РМ 5319С-02-Ø10-G1/2 (с резьбой G1/2", с нижним фланцем из стали 45, для мазута и других вязких сред) |
0,025 - 2,5 |
1,0 |
Ø145 x 90 |
3 |
Дополнительная погрешность вносимая разделителем, %, не более ±1 Материалы деталей, контактирующих с измеряемой средой: мембрана – 36НХТЮ, фторопласт (дополнительно) корпус – 12Х18Н10Т; фланец нижний – 12Х18Н10Т, сталь 45, температура измеряемой среды: -40 ... +200 C
Габаритные и присоединительные размеры разделителей и соединительного рукава приведены в приложениях 1, 2, 3, 4, 5, 6.
Габаритный чертеж и присоединительные размеры
Приложение1
Разделитель мембранный РМ модели 5319


Приложение 2
Разделитель мембранный РМ модели 5320

Приложение 3
Разделитель мембранный РМ модели 5320-М30

Приложение 4
Разделитель мембранный РМ модели 5321

Приложение 5
Разделитель мембранный РМ модели 5322

Приложение 6
Рукав соединительный гибкий

Структура условного обозначения

 |
 |
 |
 |
 |
 |
 |
 |
 |
 |
 |
 |
 |
 |
 |
 |
 |
 |
 |
 |
 |
 |
 |
 |
 |
 |
 |
|