Главная
/
Продукция
/
Сирены сигнальные
/
Посты сигнализации взрывозащищенные типа ПВCС-ХХХ
Посты сигнализации взрывозащищенные типа ПВCС-ХХХ
Посты предназначены для звуковой аварийной и предупреждающей сигнализации
или размещении их в стационарных установках и на подвижных транспортных
средствах.
Посты с маркировкой РВ 2В Exdl предназначены для эксплуатации
в угольных и сланцевых шахтах, опасных по газу и пыли. Посты с
маркировкой 1ExdllAT6 или 1ExdllBT6, или 1ExdllСT6 предназначены
для эксплуатации во взрывоопасных зонах.
Климатическое исполнение постов- У1, УХЛ5, ХЛ1, ОМ1, Т1, Т5 по
ГОСТ 15150-69; посты исполнений УХЛ5, ОМ1, Т1, Т5 выполняются
в химостойком исполнении Х3 по ГОСТ 24682-81;
Сирена ПВСС предназначенa для эксплуатации на высоте над уровнем
моря не более 4300м. Нижнее и верхнее значение температуры окружающего
воздуха от минус 40°С до плюс 45°С для исполнений У1, У5, ОМ1,
Т1, Т5 от минус 60°С до плюс 45°С для исполнения ХЛ1.
Относительная влажность окружающей среды до (98±2)% при температуре
плюс (35±2) °С с конденсацией влаги.
Степень защиты поста соответствует IP67 по ГОСТ 14255-69.
Технические характеристики
|
Наименование параметра
|
Маркировка по взрывозащите
|
|
РВ2В, ExoI, IExoIIAT6
|
IExoIIBT6, IExoIICT6
|
Номинальное напряжение переменного
тока, В
|
36, 127, 220
|
110, 220, 230, 240, 380
|
Частота тока, Гц
|
50-60
|
50-60
|
Потребляемая мощность, ВА
|
35
|
35
|
Уровень звукового давления сигнала,
дБ
|
103
|
103
|
Масса, кг, не более
|
2,3
|
2,3
|
Габариты, мм
|
200х128х90
|
200х128х90
|
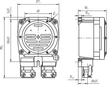
Габаритные размеры

Структура обозначения постов типа ПВСС:

|