![]() |
|
|
|||||||||||||||||||||||||||||||||||||||||||||||||||||||||||||||||||||||||||||||||||||||||||||||||
|
|
|
||||||||||||||||||||||||||||||||||||||||||||||||||||||||||||||||||||||||||||||||||||||||||||||||||
|
|
|||||||||||||||||||||||||||||||||||||||||||||||||||||||||||||||||||||||||||||||||||||||||||||||||||
![]() |
|||||||||||||||||||||||||||||||||||||||||||||||||||||||||||||||||||||||||||||||||||||||||||||||||||
|
|
|
|
|
|
|
|
|||||||||||||||||||||||||||||||||||||||||||||||||||||||||||||||||||||||||||||||||||||||||||||
|
|
|||||||||||||||||||||||||||||||||||||||||||||||||||||||||||||||||||||||||||||||||||||||||||||||||||
|
|
|
|
|
|
|
||||||||||||||||||||||||||||||||||||||||||||||||||||||||||||||||||||||||||||||||||||||||||||||
Главная
/
Продукция
/
Указатель положения дистанционный ДУП-М
Указатель положения дистанционный ДУП-М
Предназначен для дистанционного указания положения выходного вала электрического исполнительного механизма, имеющего реостатный или индуктивный датчик. Указатель предназначен для эксплуатации в условиях, оговоренных в таблице 1
Указатель не предназначен для работы в средах, содержащих пары, газы и вещества, вызывающие разрушение покрытий, изоляции и материалов и во взрывоопасных средах.
Технические данныеЭлектрическое питание указателя – однофазная сеть переменного тока с номинальным напряжением 220В или 240В с частотой (50±1) или (60±1,2)Гц. Допустимые отклонения напряжения питания от номинального в пределах от минус 15 до плюс 10%. Пределы регулирования начального (0%) и конечного (100%)положений стрелки указателя не менее половины шкалы для обоих положений как для реостатного, так и для индуктивного датчиков. Мощность, потребляемая указателем, не более 5 ВА. Масса указателя не более 0,6 кг.
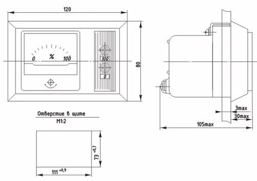
Габаритные и установочные размеры указателя ДУП-М
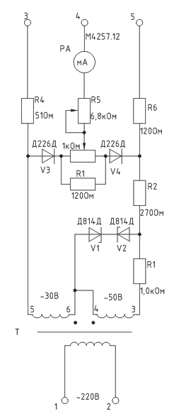
Состав, устройство и работа указателяУказатель состоит из измерительного неуравновешенного моста и узла питания моста.
Примечание: Напряжение сети 240В для исполнения -03. Плечи измерительного моста образуются переменным резистором R3 и сопротивлением датчика с резисторами R4 и R6, включенными последовательно с датчиком. Измерительный прибор PA и резистор R5, включенный последовательно с прибором, находятся в диагонали моста. В другую диагональ подается переменное напряжение с узла питания. Переменные резисторы R3 и R5 служат соответственно для балансировки моста и установки требуемой чувствительности указателя. Резисторы R2, R4 и R6 являются балластными и служат для ограничения величины тока питания моста и питания датчика. Стабилитроны V1 и V2 служат для стабилизации напряжения питания моста. Резистор R1 обеспечивает необходимый режим работы стабилитронов. При изменении положения выходного вала исполнительного механизма меняется отношение сопротивлений плеч моста. Это влечет за собой изменение тока в диагонали моста, измеряемого прибором. Шкала прибора отградуирована в процентах от полного угла поворота вала исполнительного механизма. Конструктивно элементы указателя размещены в пластмассовом кожухе. Внутри кожуха находится печатная плата, на которой расположены трансформатор и другие элементы электрической схемы указателя. Для установки указателя на щите предусмотрены упоры. Для электрических подсоединений на кожухе указателя находится клеммная колодка. Схема внешних соединений указателя
Сопротивление линии связи указателя с исполнительным механизмом должно быть не более 10Ом на каждый провод. Силовые и измерительные цепи должны прокладываться отдельными кабелями. Настройка указателяНастройку указателя проводить следующим образом. Установить выходной вал исполнительного механизма в начальное положение. Вращением оси регулировочного резистора “0”, расположенного на корпусе указателя, установить стрелку измерительного прибора на отметку шкалы 0%. Переместить выходной вал исполнительного механизма в конечное положение. Вращением оси регулировочного резистора “100” стрелку измерительного прибора установить на отметку “100%” Если при перемещении выходного вала из начального положения в конечное показания указателя уменьшаются, то поменять местами провода, подсоединенные к клеммам 3 и 5 указателя.
|
|
|
|
|
|
|
|
|
|
|
|
|
|
|
|
|
|
|
|
|
|
|
|
|
|
|
| ||||||||||||||||||||||||||||||||||||||||||||||||||||||||||||||||||||||||