![]() |
|
|
||||||||||||||||||
|
|
|
|||||||||||||||||||
|
|
||||||||||||||||||||
![]() |
||||||||||||||||||||
|
|
|
|
|
|
|
|
||||||||||||||
|
|
||||||||||||||||||||
|
|
|
|
|
|
|
|||||||||||||||
Главная
/
Продукция
/
Сирены сигнальные
/
Сирена сигнальная СС-1
Сирена сигнальная СС-1
1. НАЗНАЧЕНИЕ: Сирена сигнальная переменного тока предназначена для подачи мощных звуковых сигналов, отличающихся от производственных шумов, что обеспечивает их хорошую слышимость. Сирена СС-1У5 ( исполнение для умеренного климата ) рассчитана для работы при температуре окружающего воздуха от -40 до + 50°С и относительной влажности до 98 % при температуре + 35°С. Сирена СС-1Т2 ( исполнение для влажного тропического климата ) рассчитана для работы при температуре окружающего воздуха от – 20°С до + 55°С и относительной влажности до 100% при температуре + 35°С. 2. УСТРОЙСТВО: Сирена сигнальная состоит из электромагнита и якоря, жестко соединенного с мембраной. Весь электромагнитный механизм помещен в литой алюминиевый корпус, закрытый с одной стороны крышкой, с другой - рупором. 3. ПОДГОТОВКА К РАБОТЕ: Сирена сигнальная устанавливается рупором вниз на высоте, обеспечивающим безопасную эксплуатацию. Провода питания подводятся к клеммной коробке через сальниковый ввод. Снимите крышку, выверните штуцер, снимите металлическую заглушку, в резиновой прокладке проделайте отверстие, протяните провод через резиновую прокладку и штуцер к клеммам. После подсоединения проводов штуцер с уплотнительным резиновым кольцом и крышка должны быть плотно установлены на свои прежние места. Технические характеристики
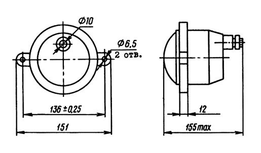
Габаритные размеры
|
||||||||||||||||||||
|
|
||||||||||||||||||||
|
|
|
|
|
|
||||||||||||||||
|
|
|
|
||||||||||||||||||
|
|
|
|
|
|
|
|
|
|
|
|
|
|
|
|
|
|
|
|||